2024-02-04 10:23:47
安科瑞趙雨18861629037
430
摘要:簡要介紹了熱繼電器、電子式電動機保護器和智能電動機保護器的*缺點,并闡述了智能電動機保護器如何正確的選型,重點比較了智能電動機保護器保護模式、端子控制模式、全通信模式、半通信模式等幾種常見工作模式,介紹這4種模式適用的實際情況,*后通過分析智能電動機保護器在工程實際應用中的常見問題,給出了相應解決方法和建議。
關鍵詞:智能電動機保護器;過載保護;選型;工作模式;保護模式;端子控制模式;全通信模式;半通信模式。
前言
低壓電動機作為有色冶煉企業底層大量使用的設備,其異常運行不僅影響冶煉廠的正常生產,還會威脅到人的生命安全,因此為電動機設置合適而又全面的保護*關重要。智能電動機保護器集保護、遙測、通信、遙控、顯示等功能于一體,是目前功能較多的電動機保護設備,能*大限度保證設備運行的安全可靠性,從而實現智能化和高精度保護,同時還能對電動機的狀態進行全面監控。
電動機過載保護設備的發展
1.1熱繼電器
熱繼電器是一種傳統的電動機保護裝置,使用不同熱膨脹系數的雙金屬片來實現反時限保護。其特點是結構簡單、價格低廉,但也存在穩定性、重性差和保護功能單一等缺點。
1.2電子式電動機保護器
隨著電子技術的不斷發展,電子式電動機保護器應運而生,從*初的模擬電路的固態繼電器發展到后來的數字電路的智能型繼電器,特別是微處理器的發展,讓電動機保護器實現了測量、保護和控制功能于一體。通過采集電流、電壓、頻率和熱電阻信號,可以實現短路、過載、堵轉、超時起動、接地、缺相或不平衡保護等多種保護功能,并能滿足各種起動控制方式。
1.3智能電動機保護器
隨著微機通信技術和網絡技術的發展,智能電動機保護器又增加了通信模塊,通過雙向通信和組網技術,不僅可以采集數據,在線監視運行狀態,還能實現遠程控制。特別是現場總線型網絡通信的應用,簡化了網絡結構,大大減少了控制線纜的使用。
智能電動機保護器構成和功能
2.1智能電動機保護器的構成
智能電動機保護器由主體模塊、顯示模塊兩部分構成。主體模塊包含電源模塊、數字信號處理器、開關量輸入輸出模塊、模擬量采集模塊、通信模塊等;顯示模塊負責顯示運行參數以及保護整定值的設置。
若主體模塊和顯示模塊合為一體,則稱為一體式智能電動機保護器;若分開,則稱為分體式智能電動機保護器。部分智能電動機保護器的測量模塊也獨立于本體之外。
2.2智能電動機保護器的功能
智能電動機保護器通過微處理器采集并處理電機回路的電流和電壓信號,并根據遙控指令或者就地控制指令確定電機起動或停止。雖然不同**的產品名稱、型號各異,但其核心功能基本都一樣,具體如下:
1)保護功能。包括過載、斷相、堵轉、啟動超時、單相接地、短路、外部故障、欠電流、欠電壓、過電壓保護和溫度保護等。
2)測量功能。可測量相電流、相電壓、線電壓、零序電流、有功功率、無功功率、功率因數、頻率和相位角等。
3)計量功能。可計量有功電度和無功電度。
4)控制功能。具有多路數字量輸出口,可實現電動機的直接起動、雙向動、雙速啟動和星三角降壓啟動等。
5)管理功能。包括電動機累計運行時間記錄,電動機累計起動次數和起動時間記錄、故障動作記錄和電動機起動報告。
6)信息采集功能。具備多路數字量輸入接口和模擬量輸入接口,可采集電動機相關的各種電氣狀態數字信號(斷路器狀態、接觸器狀態以及控制命令)和電動機繞組測溫模擬信號。
7)通信功能。可配備多種通信接口,如Modbus、Profibus-DP、DeviceNet和Ethnet-IP等,可實現遠程的起、停控制和狀態量的反饋。

智能電動機保護器的合理選型
智能電動機保護器的選用應該根據安裝地的自然環境、電磁環境以及測控保護和控制需求來確定。
1)安裝位置的環境條件。主要指溫度、腐蝕度、震動度、風沙、海拔、電磁污染等。和熱繼電器不同的是,智能電動機保護器是一種電子元器件,對環境的要求相對嚴苛,這一點需要特別注意。
2)控制電壓。根據系統的控制電壓選擇適配的智能電動機保護器,部分廠家的電動機保護器僅提供24VDC的電源輸入接口。
3)測控保護需求。根據電動機的類型、特點、功率大小和重要程度,選擇采用哪些測量功能和保護功能。
4)控制需求。根據工藝的操作需求確定控制需求,選擇手動、自動、就地控制或遠程控制等控制模式以及需要的控制功能和控制點數,繼而確定輸入、輸出端子的數量和功能是否滿足要求。
5)通信需求。根據需求確定是否采用通信的方式進行遙控和遙信,進一步確定采用何種通信方式。
6)配合柜體的需求。根據不同的柜體,選擇一體式還是分體式的智能電動機保護器。一般情況下,固定柜選擇一體式的保護器,抽屜柜選擇分體式的保護器[4]。7)特殊需求。是否要求輸入輸出端子可自由定義功能。
智能電動機保護器的應用實例
在有色冶煉中,根據工藝需求和客戶需求,智能電動機保護器的主要應用模式有保護模式、端子控制模式、全通信模式和半通信模式。
4.1保護模式
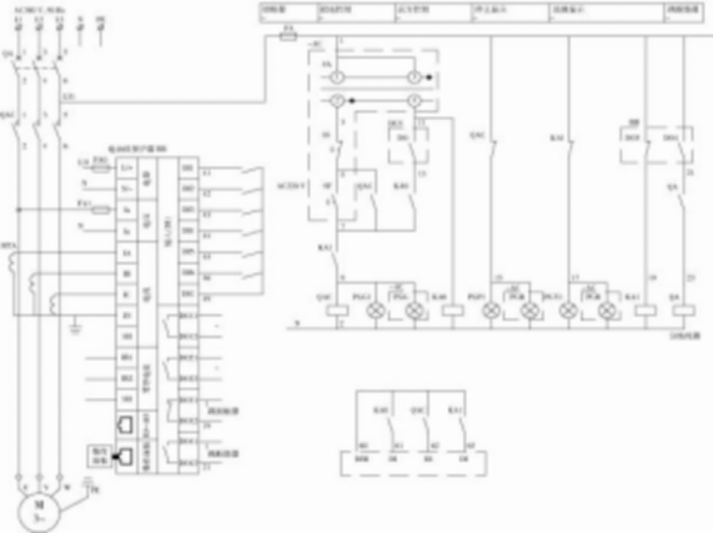
在保護模式下,智能電動機保護器只利用其自身的保護功能和測量功能,不參與外部控制,相當于原來熱繼電器的作用。具體接線如圖1所示。

圖1保護模式接線圖
這種模式適用于原有系統的改造升*,外部的控制接線修改很小。*點在于*大限度減少了因智能電動機保護器裝置本身出問題或通信出問題帶來的風險;缺點是沒能充分發揮智能電動機保護器的功能,遠程DCS控制線路仍然采用的是硬線。部分比較保守的客戶由于對通信穩定性和可靠性的不信任,普遍采用這種模式。
4.2端子控制模式
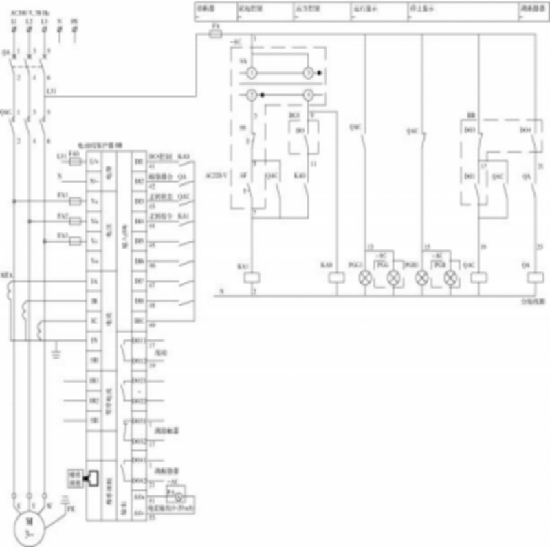
在端子控制模式下,智能電動機保護器通過自身的開關量輸入端子采集外部控制命令,繼而控制其開關量輸出電動機的起、停或正反轉等,具體接線如圖2所示。

圖2端子控制模式接線圖
在該模式下,智能電動機保護器具備保護和控制兩個功能,相比上面的保護模式,*勢在于可以充分使用智能電動機保護器的控制功能,但和保護模式一樣,其遠程DCS控制線路仍為硬線。
4.3全通信模式
在全通信模式下,就地控制時智能電動機保護器只起保護作用,不參與控制,相當于保護模式;遠程DCS通過通信線路控制智能保護器輸出電機起、停或正反轉等命令。
這種模式的*勢主要體現在兩個方面:一是保證了就地控制的獨立性,盡可能規避通信控制帶來的風險,提高了安全系數;二是大大減少了電纜的使用和接線的工作量。
影響這種模式推廣的關鍵因素是客戶對通信的穩定性和可靠性的擔憂。實際應用中,個別工程出現過通信不暢、經常掉線、易受干擾等問題,但基本都是由于通信網絡方案不合理、施工質量不佳以及通信線路和產品質量有問題等因素導致的,全通信模式本身已經很成熟,并不存在大的問題,**外早已大量應用。
4.4半通信模式
半通信模式的特點是電機的遠程DCS起、停控制仍然采用硬線,只有狀態信號的上傳走的是通信網絡,所以稱為半通信模式。
半通信模式介于保護模式和通信模式之間,是一種折中的應用。其應用背景為:客戶對智能電動機保護器信心不足,擔憂由于通信不可靠導致電機的起、停不受控制,繼而影響生產或帶來安全事故,故遠程的控制信號仍然采用硬線方式傳輸。不過這種模式也為將來改為全通信模式留出了接口,方便日后升*改造。
以上僅以普通電機單相運行為例,列出智能電動機保護器4種常用的工作模式,每種模式都有其應用的背景和現實需求,設計人員需要根據工程實際和需求來選用合適的工作模式。
問題和建議
5.1智能電動機保護器短路保護的問題
智能電動機保護器具有很多種保護功能,短路保護是其中之一。其主要保護邏輯是根據采集的電流進線分析和計算,當電流超過5倍電機額定電流時,其短路保護出口發出斷路器跳閘命令。該跳閘命令是通過斷路器的分勵線圈來實現的。這個邏輯本身沒有問題,問題出在智能電動機保護器和分勵線圈的工作電源上。一般情況下,該工作電源從電動機主回路的某一相上取電,當通信控制模式接線圖外部發生三相短路時,母線的各相電壓會下降,或工作電源所在那一相發生單相接地短路時,該相電壓也會下降。當電壓下降到小于智能電動機保護器和分勵脫扣器的正常工作電壓時,智能電動機保護器和分勵線圈均無法正常工作,短路保護也無法實現。其實電動機主回路的斷路器本身就具備很好的短路保護功能,所以智能電動機保護器設置短路保護必要性不大。
5.2智能電動機保護器測量準確度低的問題
智能電動機保護器基本只配備一組三相CT,而保護器的保護功能肯定是非常重要的,測量和計量功能只是附帶的,因而配置的CT首先要滿足保護功能的需求。保護功能所用CT要求較大的故障電流通過時鐵心不能飽和,以便較好地反映一次電流值,所以在正常電流通過時,智能電動保護器測量的準確度較低。因此,智能電動機保護器的計量數據不適合作為企業的生產成本數據,如果想采集能耗數據,應單設測量CT和計量表。
5.3智能電動機保護器和變頻器配合應用易受電磁干擾的問題
當智能電動機保護器與變頻器安裝在同一個柜內配合使用時,智能電動機保護器會因為變頻器的電磁干擾出現誤動作的情況。某工程中,智能電動機保護器作為變頻器的旁路保護電器,正常情況下變頻器工作時,旁路沒有電流通過,但現場卻發現智能電動機保護器不斷發出漏電故障報警。理論上來說,智能電動機保護器的抗電磁干擾能力滿足國家標準要求,不應該出現這種情況,但實際上這種情況不少。因此建議智能電動機保護器和變頻器分柜安裝,盡可能遠離,避免干擾。還有一種接線方式也經常用到,就是現場控制箱的按鈕和遠程的起、停信號直接接到智能電動機保護器的輸入端子。這種方式的*點在于沒有轉接,接線比較簡單,但這種接線方式在工程中經常出現控制信號的干擾問題。而出現這種問題的原因在于控制信號電壓的不一致:端子輸入的電壓為24VDC,而輸出口*控制箱信號燈的電壓為220VAC。如果設計者沒有注意這一點,將*控制箱的所有信號合用一根控制線的話,高壓干擾低壓的現象就會出現,導致控制出現異常。避免這種問題的方法也很簡單,只要將這兩種不同電壓的信號用不同的控制電纜分開即可。
5.4智能電動機保護器安裝在抽屜柜中的通信問題
目前市面上的智能電動機保護器采用的通信協議或接口有很多種,但無論采用何種協議或接口,當智能電動機保護器安裝在抽屜單元內時就會遇到通信電纜的連接問題。大家都知道,抽屜單元是可移動的,甚*是可移走替換的,它通過一次插頭和二次插針與外部固定的動力電纜和控制電纜連接。由于智能電動機保護器安裝在抽屜單元內,它與外部通信總線之間的連接就成了一個難題。如果和其他控制信號一樣采用二次插針的方式,雖然可以解決連接的問題,但由于二次插針裸露,沒有屏蔽層,無法保證通信不被干擾。通信的可靠性很重要,所以大都采用了通信電纜從柜后直接穿孔進入抽屜單元后與智能電動機保護器相連的方式。通信電纜在柜后留有余量,當抽屜單元小范圍抽出時沒有問題,但當抽屜單元抽出柜體時,就需要先拔掉連接頭,這種做法犧牲了抽屜單元的一部分便利性。
ARD系列電動機保護器產品選型介紹
ARD智能電動機保護器適用于額定電壓*660V的低壓電動機回路,集保護、測量、控制、通訊、運維于一體。其完善的保護功能確保電動機安全運行,帶有邏輯可編程功能,可以滿足多種控制方式。該產品采用分體式結構,由主體、顯示單元、互感器組成,可適應各種柜體的安裝。可選配不同通訊模塊適應現場通訊需求。
6.1功能特點
■支持基波和全波電力參數測量(U、I、P、Q、S、PF、F、EP、EQ),電流及電流不平衡度、電流正序、負序、零序分量、電壓、三相電壓相角、剩余電流。
■保護功能包括過載反時限、過載定時限、接地、起動超時、漏電、欠載、斷相、堵轉、阻塞、短路、溢出、不平衡(電流、電壓)、過功率、欠功率、過壓、欠壓、相序、溫度、tE時間、外部故障、起動次數限制、運行時間報警、故障次數報警。
■9路可編程DI輸入,默認采用內置DC24V電源,也可選擇外部有源濕接點。
■5路可編程DO輸出,滿足直接起動,星—三角起動,自耦變壓器起動,等多種起動方式,可通過通訊總線實現主站對電動機的遙控“起/停"。
■可選抗晃電功能:支持晃電立即再啟動、失壓重起動。
■可選配MODBUS_RTU通訊、PROFIBUSDP通訊,支持*多2路通訊接口。
■可選配1路DC4-20mA模擬量輸出接口,與DCS系統相接,可實現對現場設備的監控。
■具有故障記錄、起動記錄、停車記錄、DI變位記錄和再起動記錄等各類事件記錄。
■顯示界面液晶顯示,支持中/英文切換。
6.2產品選型



結束語
智能電動機保護器替代傳統熱繼電器是大勢所趨,通過智能電動機保護器以總線的通信方式組網實現工廠低壓電機的遙測、遙控是智能配電和智能工廠的基本需求。智能電動機保護器要想得到更好的應用和推廣,還需要工程設計人員和設備廠家密切配合,根據出現的問題提出更好的解決方案

【江蘇安科瑞電器制造有限公司 趙雨 18861629037 (詳情可咨詢)】