2024-12-18 09:54:18
超*管理員
172
概述
ARD2系列智能電動機保護器(以下簡稱保護器)能對電動機運行過程中出現的起動超時、過載、斷相、不 平衡、欠載、接地/漏電、阻塞、短路、外部故障等多種情況進行保護,并設有 SOE 故障事件記錄功能,方便現 場維護人員查找故障原因。適用于煤礦、石化、冶煉、電力、船舶、以及民用建筑等領域。本保護器具有 RS485 遠程通訊接口,DC4~20mA 模擬量輸出,方便與 PLC、PC 等控制機組成網絡系統。實現電動機運行的遠程 監控。

水泥廠案例分析
水泥生產現場環境比較惡劣,保護器不僅要提供電機設備的保護功能,而且要求能夠帶RS-485通訊接口,經Modbus-RTU/Profibus-DP通訊協議與上位機管理系統進行通訊連接,實現實時監測電動機的運行狀態以及運行過程中的電力參數,保證后臺操作人員能讀取、修改水泥成產現場電動機保護器的各種整定參數并通過后臺人機界面實時觀察當前現場電動機控制回路的工作狀態、供電電源質量等,實現對生產現場設備遠程實時監控。

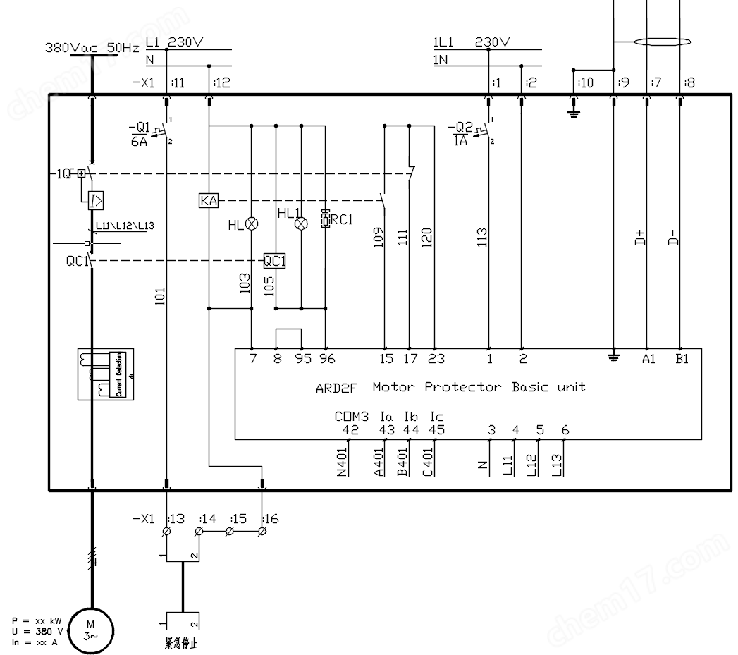
水泥廠采用ARD2系列智能電動機保護器用于電機保護控制回路,取代熱繼電器等作為電動機的過載保護和控制元件,而且利用*的通訊技術,實現了水泥生產中電機設備控制的自動化。通過將90L顯示模塊嵌入安裝在開關抽屜的活動面板內,來簡化水泥廠控制柜內接線,使得配電室內設備運行情況及故障狀態清晰可見,方便工程師隨時調整系統、設定參數和顯示、監控以及檢修維護。將ARD2F保護器應用于某水泥廠生產線電機設備的控制回路,實現水泥廠對電機保護的要求。如圖2是ARD2F智能型電動機保護器應用于某水泥廠電動機設備控制回路工作原理圖:

圖2 ARD2F智能型電動機保護器應用于某水泥廠電動機設備控制回路接線圖
由于現代水泥工廠采用的大型電機設備較多,大于110KW及以上的電機,均采用在主回路裝設電流互感器。考慮到水泥生產工藝的不同和企業投入的資金,電動機需要不同的起動方式,ARD2F智能型電動機保護器提供靈活的聯鎖功能,實現直接啟動、雙向啟動、星/三角啟動、自耦變壓器啟動等,使水泥廠大型設備的電機得到了有效保護和控制[2]。
四、ARD2F產品介紹
ARD2F智能電動機保護器適用于額定電壓*660V的低壓電動機回路,集保護、測量、控制、通訊、運維于一體。其完善的保護功能確保電動機安全運行,帶有邏輯可編程功能,可以滿足多種控制方式。可選配不同通訊模塊適應現場通訊需求。

該產品采用分體式結構,由主體、顯示單元、互感器組成,可適應各種柜體的安裝。
技術參數
技術參數 | 技術指標 | ||
保護器輔助電源 | AC85-265V/DC100-350V | ||
電機額定工作電壓 | AC220V / 380V / 660V,50Hz / 60Hz | ||
電動機額定工作電流 | 1 (0.1A-5000A) | 外置電流互感器 | |
5 (0.1A-5000A) | |||
1.6A(0.4A-1.6A) | |||
6.3A(1.6A-6.3A) | |||
25(6.3A-25A) | |||
100(25A-100A) | |||
250(63A-250A) | |||
800(250A-800A) | |||
繼電器輸出觸點容量 | 阻性負載 | AC250V、10A | |
開關量輸入 | 9路無源干結點(可選配有源DC110V、DC220V、AC220V輸入) | ||
通訊 | RS485 Modbus_RTU,Profobus_DP協議 | ||
環境 | 工作溫度 | -10oC~55oC | |
貯存溫度 | -25oC~70oC | ||
相對濕度 | ≤95﹪不結露,無腐蝕性氣體 | ||
海拔 | ≤2000m | ||
污染等* | 3* | ||
防護等* | 主體IP20,分體顯示模塊IP65(安裝在柜體面板時) | ||
安裝類別 | III* | ||
功能特點
■ 支持基波和全波電力參數測量(U、I、P、Q、S、PF、F、EP、EQ),電流及電流不平衡度、電流正序、負序、零序分量、電壓、三相電壓相角、剩余電流。
■ 保護功能包括過載反時限、過載定時限、接地、起動超時、漏電、欠載、斷相、堵轉、阻塞、短路、溢出、不平衡(電流、電壓)、過功率、欠功率、過壓、欠壓、相序、溫度、tE時間、外部故障、起動次數限制、運行時間報警、故障次數報警。
■ 9路可編程DI輸入,默認采用內置DC24V電源,也可選擇外部有源濕接點。
■ 5路可編程DO輸出,滿足直接起動,星—三角起動,自耦變壓器起動,等多種起動方式,可通過通訊總線實現主站對電動機的遙控“起/停”。
■ 可選抗晃電功能:支持晃電立即再啟動、失壓重起動。
■ 可選配MODBUS_RTU通訊、PROFIBUS DP通訊,支持*多2路通訊接口。
■ 可選配1路DC4-20mA模擬量輸出接口,與DCS系統相接,可實現對現場設備的監控。
■ 具有故障記錄、起動記錄、停車記錄、DI變位記錄和再起動記錄等各類事件記錄。
■ 顯示界面液晶顯示,支持中/英文切換。
五、結束語
隨著電子技術及通訊技術的不斷發展。電動機保護器也在朝著多元化方向發展,電動機保護器在水泥企業的應用也越來越廣泛,合理選擇電機設備的保護功能和保護方式,可提高設備運行的可靠性,能夠預防并杜*電機燒毀,同時減少了因非計劃停車而造成的損失,降低了企業的生產成本。