2022-08-03 13:21:58
趙雨
1252
摘要:作為國家提出的綠色電網、節能降耗已成為現代化企業努力的目標,也是企業急需解決的問題。作為地鐵車站這類市政公共交通建筑的著重系統——配電系統。實現綠色電網實質上是解決電網中存在的各種電能問題,主要是涉及到諧波與無功問題兩個方面,就某條地鐵線目前的電力系統狀態而言,其在低壓配電系統中裝設有源電力濾波器進行諧波治理,但APF實際未投入。系統中的諧波問題仍然存在,因此需對該站點進行詳細的測試,同時為該線路的有源電力濾波器APF進行必要性評估,對后續新開線路的有源濾波器設置提出參考意見。
關鍵詞:地鐵負載;電能質量;諧波治理;無功補償
0、地鐵電能質量分析
目前城市軌道交通普遍存在的主要電能質量問題就是功率因數、電壓波動與閃變及諧波問題等。當前35KV和0.4KV大量使用電纜,夜晚期間一般所有的負荷基本停運,由于該用電負載多數為感性負荷,此時感性無功基本接近為零,產生的容性無功甚*可以達到幾Mkvar。若無功功率倒送進電力系統,會導致線路電壓升高,同時也會導致功率因數降低。地鐵中電力機車屬于典型的非線性負荷,由于運行過程中啟停頻繁,短時間內會產生沖擊性負載電流,此類沖擊會造成電壓的波動與閃變。
1、主要研究內容
以廣東某地鐵站為例,由于該地鐵站高壓側110kV和35kV無功及諧波方面已經治理,本篇文章主要突出治理0.4KV低壓設備的無功及諧波等相關問題。線路阻抗隨著頻率的升高而增加,諧波電流使線路的附加損耗增加,而供電電網的損耗大部分為變壓器和線路的損耗,所以諧波是導致電網網損增加的一個重要因素。線路的分布電感和對地電容與產生諧波的設備組成串聯或并聯回路,在一定的參數條件下,會發生串聯諧振或并聯諧振,而且所產生的諧振過電壓和過電流對相關設備的危害性較大。(此情況一般出現在高壓環境下,在0.4KV低壓環境中由于線路和變壓器的分布電容過小,一般忽略不計)在適當的條件下還會形成諧波放大,而諧波電壓、電流放大會引起繼電保護裝置誤動甚*損壞,造成電力火災。同時諧波電流對線纜的肌膚效應會造成線纜發熱過量,*緣強度降低,造成電纜損耗增加,壽命縮短,額定容量降低。同時諧波電流還會導致系統的運行威脅導致不安全因素的出現,嚴重時會影響甚*是中斷生產工作的進行[3]。故本公司組織針對地鐵站低壓配電室的1#和2#變壓器進行了測試。同時對地鐵系統中負載主要為照明、空調、泵機類、電梯、信號電源、UPS等設備進行開啟有源濾波APF和不開啟有源APF情況下進行測試,對測試數據進行統計分析,選出合適的型號的治理設備,同時計算該設備選擇的節能性。
2、測試數據及分析
(1)測試說明
本次測試主要針對廣東某地鐵站低壓配電室的1#和2#變壓器進行了測試。系統中負載主要為照明、空調、泵機類、電梯、信號電源、UPS等設備,開關電源的啟動瞬間形成電流沖擊,和其它設備在運行過程中會對系統產生諧波電流污染。該系統中各變壓器的負荷性質決定了在其運行的過程中會產生諧波電流并匯入配電網中對配電系統造成一定的諧波污染問題,系統中存在的節能照明在運行過程中產生3次諧波電流,3次諧波電流為零序諧波電流,三相矢量角度一致,存在N線上諧波電流的疊加情況,N相電流是相線的3倍,本次測試主要是針對這些問題進行的。根據工程實踐經驗,諧波電流會導致系統的運行威脅同時還會造成電纜的額外發熱并加速電纜的*緣老化導致不安全因素的出現,嚴重時會影響甚*是中斷生產工作的進行。
(2)測試方法
在現場工作人員的配合下對共計2臺變壓器(1#變壓器和2#變壓器)進行了詳細的電能質量測試,本次方案的目標是**減少系統中諧波電流污染的問題尤其是3N次諧波電流疊加導致N線電流變大問題,同時N線電流變大容易導致電氣火災的發生,因此在整個用電系統中對于電流數據的采集較為重要。在方案制定時將會根據測試值對現場治理設備進行設計選型,保證系統中諧波電流的濾除。測試時每個測試點均進行了24小時的監測能夠明確整個周期內的典型電能質量狀況。
(3)測試數據及分析
1) 1#變壓器低壓側測試數據
1#測試數據表

通過上述測試數據分析得出,電壓畸變率波動在1.2%~1.4%之間,電流畸變率為10%~15%左右,系統基波電流值約為500A,電流畸變頻譜表明其中3次、5次、7次和11次諧波電流為主,總的諧波電流值約為125A,N線電流主要為3次諧波電流的疊加導致。需要選擇的輸出治理電流每相*少在125A以上,N線輸出能力為相線的3倍,可解決中線諧波電流疊加的問題。該變壓器容量為1250kVA,現有地鐵車站的濾波器設計中考慮到功率因數提高*0.92的要求,因此在濾波的同時需要考慮留有一定容量進行無功補償,一般按照變壓器容量的30%進行無功補償配置。
2) 2#變壓器低壓側測試數據
2#測試數據表

通過上述測試數據分析出,電壓畸變率波動在1.4%~1.5%之間,電流畸變率為10%~20%左右,系統基波電流值約為500A,電流畸變頻譜表明其中3次、5次、7次和11次諧波電流為主,總的諧波電流值約為100A,N線電流主要為3次諧波電流的疊加導致。需要選擇的輸出治理電流每相*少在100A以上,N線輸出能力為相線的3倍,可解決中線諧波電流疊加的問題。該變壓器為1250kVA的變壓器,現有地鐵車站的濾波器設計中考慮到功率因數提高*0.92的要求,因此需要考慮留有一定容量進行無功補償,一般按照變壓器容量的30%進行無功補償配置。
3、三次諧波問題相應闡述
(1)三次諧波的概念及不良影響
對周期性非正弦電量進行傅里葉*數分化,可得到頻率為基波整數倍的電量,這些電分量被統稱為諧波。其中,頻率為基波三倍的電量被稱為三次諧波。在社會的高速發展下,民眾與社會對于電能的需求量與日俱增,對電能質量的要求也日漸提高。隨著種類豐富的電子設備在民眾生活中的廣泛普及,其中具有非線性負荷特性的電子設備也使電力系統中的電壓、電流狀態出現了一些改變。在利用傅里葉*數分化分析電壓、電流波形時,便會發現 50Hz、220V電力中存在一些150Hz交流的正弦波,即頻率50Hz的三倍的“三次諧波”。伴隨著科學技術的迅猛發展,非線性負載的數量占比越來越多,其在工作時三次諧波占比較大。這種不良現象除了會增加整體電力系統的耗損,更會致使中性線線負載變大,嚴重影響電力系統整體的安全性以及穩定性,甚*會引發一系列的安全事故。另外三次諧波使電網出現發熱的狀況,嚴重時引發安全事故;對電子元器件日常的使用和運行產生不良影響,致使其產生錯誤操作;嚴重縮短電力設施使用壽命。三次諧波不僅僅會產生諸多危害,更會對電網整體的穩定性以及安全性產生嚴重的不良影響,進而影響民眾的日常生產、生活有關活動、行為以及社會的和諧發展。所以,有關部門應當采取合理措施,減少乃*避免三次諧波的危害。
(2)對三次諧波治理的合理建議
對于單相整流電路非線性負荷而言,傳統的無源濾波器并不適用。這主要是由于其濾波效果較差,同時還會生成較大容性無功,而這部分容性無功既是非線性負荷不會用到的,也是整體電網所不需要的。因此,有關部門應當采用有源濾波器進行治理。在單獨使用此類濾波器對線路中諧波電流進行檢測的時候,能夠生成將其抵消的補償類電流。然而從整體效果上來看,此類濾波器只能夠確保安裝部位上游的諧波電流變小,卻不能對下游線路產生效果。所以,當對上述特征加以了解后,便能夠針對性地處理三次諧波污染,即將有源的濾波器安裝到存在三次諧波的下游線路中。除此之外,經過多年實踐可知,當濾波器距離三次諧波電流源頭越近,其防治的效果越好。與此同時,若三次諧波的過濾器為并聯形式,也能夠降低三次諧波的電壓,所以,將三次諧波的濾波器并聯于非線性的負荷比較大供電點處時,能夠將三次諧波影響的危害控制在較低。
4、諧波治理整體解決方案
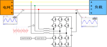
(1)有源電力濾波器的工作原理
有源電力濾波器的工作原理如圖1所示,主要由負載電流分離、指令電流調節、輸出電流控制、驅動電路以及主電路組成。它采用電流型變流器,經連接電抗器接入系統,通過調整交流側逆變輸出電壓的瞬時幅值與相位,或直接控制交流側輸出電流,使裝置發出或吸收寬頻譜無功功率。基于電力電子的有源電力濾波器裝置并聯于電網中,相當于一個可控的無功及諧波電流源,其無功及諧波電流可以快速地跟隨負荷無功電流的變化而變化,自動補償電網系統所需無功及諧波,并且可以實現從感性無功到容性無功的全范圍補償,同時對電網電壓進行動態穩定調節。

圖1 有源電力濾波器工作原理圖
(2)有源電力濾波器的工作原理
有源電力濾波器采用模塊化插拔式設計,集三相不平衡治理、諧波制止和無功補償功能為一體,方便運維人員安裝拆卸,同時也方便將來用電負荷發生變化擴展補償容量。
該有源濾波裝置主要特點有以下幾個方面:
1)補償方式靈活:既可補諧波,又可兼補無功,可對2-51次諧波進行全補償或指定特定次諧波進行補償,同時可治理三相不平衡問題;
2)線性補償,全響應時間≤5ms;
3)具有人性化的人機交互界面,可通過該界面看到系統和本體的實時電能質量信息,操作簡單,可以遠控,也可以本控;
4)采用DSP高速檢測和運算的數字控制系統和進口IGBT,功率密度大,可靠性高;
5)監控以及顯示具備遠程通訊接口,可以通過PC機實時監控;
6)標準模塊化設計,縮短交付周期,同時提高了使用的可靠性和可維護性。
有源電力濾波器可采用壁掛和整柜方式安裝,同時可實現集中和就地治理,如圖2所示的產品,給安裝、 維護及日后升*帶來了便捷,提高了整體的安裝效率。



圖2 有源電力濾波器產品示意圖
5、案例分析
(1)項目背景
廣東某地鐵改造項目,系統中負載主要為照明、空調、泵機類、電梯、信號電源、UPS等設備,開關電源的啟動瞬間形成電流沖擊,和其它設備在運行過程中會對系統產生諧波電流污染。其諧波主要包括3、5、7、9次;不進行合理治理,將對其他電氣設備產生危害,如:大量的3次諧波造成中線過熱甚*發生火災;大量諧波造成變壓器局部嚴重過熱;繼電保護發生誤動作等。
(2)治理方案
根據以往測量經驗進行諧波分析與估算,諧波主要由UPS和一些非線性直流電源產生,該項目有1#、2#兩個配電站,1#配電站有2臺800kVA的變壓器,2#配電站有2臺1000KVA的變壓器,分別采用集中治理方案,在每臺變壓器下加裝ANAPF系列有源電力濾波器,由于安裝空間有限,選擇我司壁掛式有源電力濾波器進行嵌入式安裝,1#配電站中#1和#2變壓器下安裝型號均為ANAPF75-380/BBL,2#配電站中#1和#2變壓器下安裝均為2臺型號為ANAPF60-380/BBL的有源電力濾波器并機使用,保障了整個供電系統的穩定性。
(3)治理效果

圖3 治理之前電流波形和各次諧波電流畸變率

圖4 治理之后電流波形和各次諧波電流畸變率
治理前電流波形發生畸變,三相電流畸變率分別為10.8%、11.1%、12.5%;在加裝ANAPF系列有源電力濾波器后電流波形趨向正弦波,各次諧波得到制止,電流畸變率明顯降低,三相電流畸變率降*4.0%、4.1%、4.4%。
(4)安裝現場

6、結論
本文主要地鐵負載電能質量治理方案的相關內容,通過對地鐵電能質量方面出現的問題進行分析,并結合電能質量相應測量數據,給出相應的治理方案。再結合廣東某地鐵電能質量改造項目案例,并通過現場實際應用證明了濾波器設備的實用性,驗證了有源濾波器設備可快速地治理無功及諧波電流,并且解決地鐵用電負荷增長帶來的電能質量惡化問題,對地鐵電子設備、儀器儀表的計量和整體供電能力、安全運行及經濟效益具有重要的意義。