2022-07-12 15:59:41
趙雨
681
【摘要】:本文分析了火災發生時人員傷亡的主要原因——煙霧,并針對該原因提供切實可靠的系統應用解決方案,并通過具體案例,從設計依據、產品選型、系統組網、現場安裝等方式介紹余壓監控系統,希望可以在火災發生時較大限度地保障小區等建筑物中人員的安全疏散。
【關鍵詞】住宅小區;余壓監控系統;風閥執行器;加壓送風系統
0.前言
當建筑發生火災時,煙霧是阻礙人們逃生和進行滅火行動,導致人員死亡的主要原因之一。現代化的高層民用建筑,可燃裝飾、陳設較多,還有相當多的建筑使用了大量的塑料裝修、化纖地毯和用泡沫塑料填充的家具,這些可燃物在燃燒過程中會產生大量的有毒煙氣和熱量,同時要消耗大量的氧氣。據英國對火災中造成人員傷亡的原因統計表明,由于一氧化碳中毒息死廣或被其他有毒煙氣重死者一般占火災總死亡人數的40%~50%,而被燒死的人當中,多數是先中毒息暈倒后被燒死的。因此,了解和掌握高層建筑火災中的煙霧流動規律,控制煙霧擴散是高層建筑消防安全系統中十分重要的問題。
煙霧隨風流動,正壓送風系統的送風口出風可使樓梯間及消防前室形成正壓,阻擋有害煙氣進入人的疏散通道。但是當正壓送風系統送風量及送風時間不可控時,正常的逃生路線有可能會因為前室壓力過大,防火門無法正常開啟而造成嚴重后果。鑒于上述考慮,公安部四川消防科學研究所結合**經驗提出余壓值的數據。余壓控制系統可通過控制旁通閥的開閉,將機械加壓送風系統的余壓值合理的控制在國標要求的合理范圍內——防煙樓梯間40-50Pa,前室、合用前室、消防由梯前室、封閉避難層(間)為25-30Pa。這樣及阻止了有害煙氣的進入,也確保了防火門在需要人員疏散時是可以正常開啟。而安科瑞余壓監控系統就是集成上述功能的一個切實可靠解決方案。
1. 余壓監控系統簡介
安科瑞電氣股份有限公司研發的余壓監控系統,是集工業計算機技術、通訊、抗電磁干擾、數字傳感技術及消防二總線于一體的智能化系統。采用高靈敏度壓力信號傳感器,24小時實時自動巡檢并采集監控區域壓力變化等工作狀態,對超壓故障發出報警信號并記錄,當防煙樓梯間或前室余壓值達到、超壓監控值時,余壓探測器發出報警信號,余壓控制器打開加壓風機風管上的旁通閥泄壓;余壓回落到正常區間值后,余壓探測器發出信號,余壓控制器關閉旁通閥,通過控制旁通閥的開啟關閉,來保持余壓值穩定在規范要求的區間值內,系統具有實時性、數字化、智能化,自動化連續監控的特點。

圖1 系統簡圖
2. 系統在住宅小區的應用
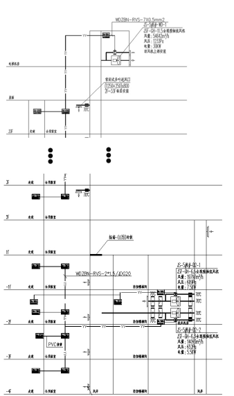
余壓監控系統在辦公樓及住宅小區、公共圖書館、賓館、公廠、學校等人員密集易燃原料集中的場所有著廣泛的應用空間,本文主要介紹余壓監控系統在住宅小區的應用實例。本項目有4幢33層的高層住宅。項目人員根據實際情況,用一臺監控主機,若干臺余壓控制器,若干臺探測器,將整個小區的余壓監控信號匯總展現在監控主機上,不僅便于平時的維護,更為火災發生時的人員逃生、快速救援多了一層保障。下圖為該項目余壓監控系統的部分設計圖。
圖2 余壓監控系統設計圖
3.設計依據
余壓監控系統及其組成設備滿足并高于國標 GB50016-2014《建筑設計防火規范》、行業標準 JGJ-16-2008《民用建筑電氣設計規范》、國標GB50045-95《高層民用建筑設計防火規范》、國標 GB1251-2017《建筑防煙排煙系統技術規范》等標準中都有明確的相關規范。
GB51251-2017《建筑防煙排煙系統技術標準》
3.4.4 機械加壓送風量應滿足走廊*前室樓梯間的壓力呈遞增分布,余壓值應符合下列規定:
1)前室、封閉避難層(間)與走道之間的壓差應為25Pa-30Pa;
2)樓梯間與走道之間額壓差應為40Pa-50Pa;
3)當系統余壓值超過較大允許壓力差時應采取泄壓措施。
5.1.4 機械加壓送風系統宜設有測壓裝置及風壓調節措施。
5.1.5 消防控制設備應顯示防煙系統的送風機、閥門等設施的啟閉狀態
GB50016-2014《建筑設計防火規范》
8.5.1 建筑的下列場所或部位應設置防煙設施:
1)防煙樓梯間及前室;
2)消防電梯間前室或合用前室;
3)避難走道的前室、避難層(間)。
4.系統組網
余壓監控系統由余壓監控器(主機)、余壓控制器、余壓探測器、風閥執行器、系統監控專用軟件等部分或全部設備組成,系統組網如下圖所示。

圖3 余壓監控系統系統組網
5.產品選型

6.現場安裝
在有加壓送風系統的地方,應設置余壓監控系統。
(1)主機安裝:主機安裝位置在消控室,如下圖4。
(2)控制器安裝:余壓控制器設置在加壓送風機配電控制箱內,如下圖5。
(3)探測器及副面板安裝:探測器及副面板安裝余壓探測器設置在前室為每個前室設置一套,設置在樓梯口時為1/3和2/3除各設置一套,如下圖6、7。
(4)風閥執行器安裝:與控制器配套使用,使用比例應為1:1,安裝位置如下圖8所示。

圖4

圖5

圖6

圖7

圖8
7. 結束語
消防正壓送風系統作為建筑消防的一個重要組成部分,可以防止煙霧進入逃生通道,但是機械加壓送風系統本身沒有能力判斷或控制加壓區壓力的大小,壓力過小,不能保證防煙的效果,壓力過大又會造成防火門打不開特別是對老幼等弱勢群體的嚴重后果,因此引入余壓監控系統其重要性與必要性是不言而喻的,發生火情時,該系統可以實時監控并控制防火門兩側余壓值的變化,在保障人員快速逃離火災現場的前提下,又保證煙霧不會倒灌進逃生通道,對消防應急逃生起到更完善的逃生方案和預防。
參考文獻
[1] 安科瑞企業微電網設計與應用手冊.2020.06版.
[2] GB50116-2014 建筑設計防火規范[S].
[3] 安科瑞余壓監控系統.2020.08版.
[4] GB51251-2017 《建筑防煙排煙系統技術標準》