1、概述
ATE800系列RFID高低壓無線測溫裝置可用于高低壓開關柜內母排搭接點,斷路器動、靜觸頭,電纜 接頭,環網柜堵頭等金屬部位的溫度監測,具有隔離chedi、安裝方便、抗干擾能力強、工作可靠的特點。ATE800系列產品組成:接收器,天線,傳感器。ATC800接收器通過天線向ATE800無線測溫傳感器發射 RFID射頻信號,傳感器接收到射頻能量之后,激活電路,開始進行溫度數據采集,并將數據通過無線信號回傳*天線;天線通過射頻電纜將數據傳輸*接收器,而后可由接收器將數據上傳到遠程監控系統。
2、ATE800 系列 RFID 高低壓無線測溫裝置型號說明

3、配置方案

4、技術指標





5、ATE800產品安裝
ATE800無線溫度傳感器共有多種型號,分別對應表帶式固定,螺栓式固定等安裝方式。
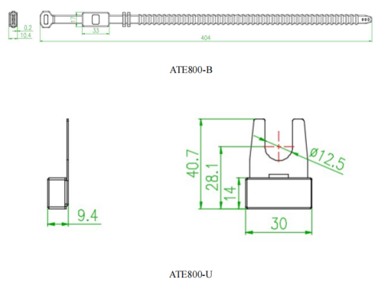
5.1 外形尺寸

5.2 安裝方式
ATE800-B表帶式無線測溫傳感器適用于斷路器動觸頭、電纜接頭、銅排等處。
ATE800-B表帶式無線溫度傳感器結構說明:
1—表帶
2—無線溫度傳感器主體 ATE800-B

將傳感器主體固定在安裝位置,將表帶繞過安裝母排或者觸頭穿過表帶,表帶頭收緊,*后將表帶尾用鎖扣鎖緊。表帶長度為 404m,過長可以剪掉多余部分,表帶過短可以聯系我司增訂。
ATE800-U螺栓式無線測溫傳感器適用于電纜接頭、銅排等處。
1—螺栓固定孔
2—無線溫度傳感器主體ATE800-U

拆下安裝位置搭接處的螺絲,將傳感器固定在安裝位置,對準合
金底板的開孔,然后旋緊螺絲固定。
6、ATC800產品安裝
6.1 外形尺寸
ATC800 無線測溫接收器,采用導軌(DIN35mm)安裝方式,主體尺寸 162mm*126.6mm*45.5mm。
